 
 
 
電話:0513-88924598
傳真:0513-88922469
郵箱:zxjha@163.com
QQ:451264878
地址:江蘇省海安市開發區通榆中路139號-8
| 
 | |||||||||||||||||||||||||||||||||||||||||||||||||||||||||||||||||||||||||||||||||||||||||||||||||||||||||||||||||||||||||||||||||||||||||||||||||||||||||||||||||||||||||||||||||||||||||||||||||||||||||||
| 產品詳情: | |||||||||||||||||||||||||||||||||||||||||||||||||||||||||||||||||||||||||||||||||||||||||||||||||||||||||||||||||||||||||||||||||||||||||||||||||||||||||||||||||||||||||||||||||||||||||||||||||||||||||||
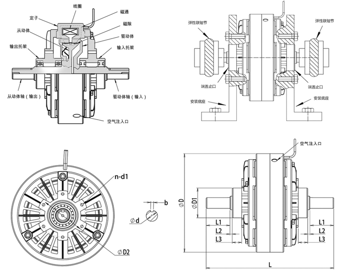
| 宏大ZKB型雙出軸磁粉離合器的驅動體(輸入端)和動體(輸出端)是在同心軸上的,兩者之間有磁隙并由軸支撐,可以自由旋轉。在磁隙中間填放有高導磁性的磁粉并在基外周配置了勵磁線圈,以便保證磁通通過。在無勵磁狀態下旋轉驅動體時,磁粉因離心力作用貼向驅動體工作面,驅動體與從動本不能連為一體。當線圈勵磁后,磁粉沿著所產生的磁通,有如鏈條一樣的形式連接起來,通過磁粉之間的連結力和磁粉與動作面的摩擦傳導扭矩。 
	 ZKB型雙出軸磁粉離合器具有優良的散熱性能,良好的退磁性,響應速度快;運行平穩、在啟動運行制動狀態下,無振動、無沖擊、無噪聲;在轉矩超載情況下,自動滑差運行起到過載保護作用。 
	 ZKB型雙出軸磁粉離合器廣泛應用于橡膠、紡織、印刷、電線電纜以及有關卷取加工行業中的收卷張力控制,另外磁粉離合器還可以用于緩沖啟動、過載保護和調速等。磁粉制動器應用于放卷張力控制。 
	 外形尺寸圖 
   
	 規格、外形尺寸(mm) 
 
 注:可訂做底座安裝方式 
	 ZKB型產品實物圖 
	 
	 宏大機電簡介 南通宏大機制造有限公司簡稱“宏大機電”,源于1996年,公司成立于2004年,注冊資金700多萬元,是張力控制系統、糾偏控制系統自動控制元件專業生產廠家,我司與國內諸多高校保持技術合作關系,是國內專業的生產骨干企業。 
	 公司主要產品有:磁粉離合器、磁粉制動器、張力控制器、糾偏控制、安全卡盤、氣漲軸、磁粉(電渦流)測功機等。產品性能穩定,使用壽命長,部分產品直接出口。 
	 
	 
	 公司所在地位于美麗的黃海之濱,204國道、328國道、沿海高速、新長鐵路、寧啟鐵路穿越而過,交通極為便利。宏大機電——您的合作伙伴! | |||||||||||||||||||||||||||||||||||||||||||||||||||||||||||||||||||||||||||||||||||||||||||||||||||||||||||||||||||||||||||||||||||||||||||||||||||||||||||||||||||||||||||||||||||||||||||||||||||||||||||
| 【刷新頁面】【加入收藏】【打印此文】 【關閉窗口】 | |||||||||||||||||||||||||||||||||||||||||||||||||||||||||||||||||||||||||||||||||||||||||||||||||||||||||||||||||||||||||||||||||||||||||||||||||||||||||||||||||||||||||||||||||||||||||||||||||||||||||||
| 上一篇:ZA-A型空心軸磁粉離合器 下一篇:ZKG型微型磁粉離合器 | |||||||||||||||||||||||||||||||||||||||||||||||||||||||||||||||||||||||||||||||||||||||||||||||||||||||||||||||||||||||||||||||||||||||||||||||||||||||||||||||||||||||||||||||||||||||||||||||||||||||||||